Однофазный многофункциональный малогабаритный счетчик для измерения и учета активной и реактивной энергии в однофазных двухпроводных цепях переменного тока дифференцированно по временным зонам суток, активной энергии в двух направлениях и реактивной энергии (индуктивной и емкостной)
| Класс точности акт./реакт. | 1/2 |
| Номинальное напряжение, В | 230 |
| Рабочий диапазон фазных напряжений, В | от 161 до 264 |
| Номинальная частота сети, Гц | 50 |
| Рабочий диапазон частот, Гц | 50 ± 2,5 |
| Номинальный (макс.) ток, А | 5(60); 5(80); 5(100) |
| Разрядность показаний | 5+2 |
| Количество тарифов | 4 |
| Количество тарифных зон суток | 48 |
| Количество сезонов | 12 |
| Количество исключительных дней | 32 |
| Количество универсальных профилей | 16 |
| Количество суточных профилей | 24 |
| Количество месячных профилей | 32 |
| Точность хода часов, не более, с/сут. | ± 0,5 при номинальной t° |
| Точность хода часов при отсутствии напряжения питания, с/сут. | ±1 при номинальной t° |
| Температурный коэффициент точности хода часов не более, с·ºС | 0, 0015 |
| Тарификация на каждый день недели | раздельная |
| Скорость обмена, Бод программируемая | 300, ..., 115200 |
| Протокол обмена | СПОДЭС 3.0 |
| Измерение установившихся отклонений напряжения и частоты по ГОСТ 30804.4.30-2013 | Класс S |
| Макс. площадь сечения проводников, мм2 | 50 |
| Рабочий диапазон температур, °С | -40...+70 |
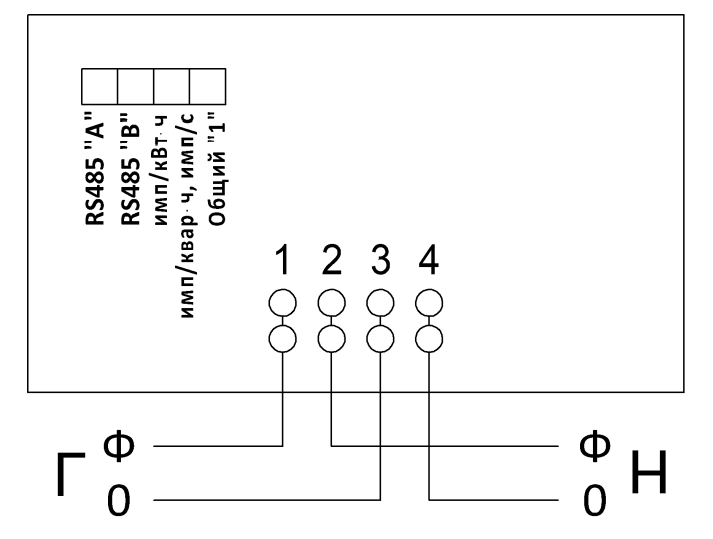
Схема подключения:

Программа для учета электрической энергии в сетевых компаниях
Телефонный робот для сбора показанийАвтоматизированный сбор показаний от потребителей при помощи телефонной связи
Планшет для контролераСовременный помощник контролера для обхода приборов учета
Кабинет техприсоединенияГотовое онлайн решение реализации личного кабинета для технологического присоединения
© OOO «Технологии энергоучета», 2015-2025