Прибор учета электроэнергии высоковольтный интеллектуальный НАРТИС-И500 предназначен для измерений активной и реактивной электрической энергии прямого и обратного направления, а также активной, реактивной и полной мощностей, линейных напряжений, фазных токов, частоты сети, удельной энергии потерь в цепях тока, тока прямой и обратной последовательности, коэффициента несимметрии тока обратной последовательности, коэффициента реактивной мощности tgφ, коэффициента мощности cosφ в трехфазных трехпроводных электрических сетях переменного тока промышленной частоты 50 Гц с изолированной нейтралью напряжением 6/10 кВ (в зависимости от исполнения).
Прибор устанавливается на воздушные линии электропередач (ЛЭП) с горизонтальным расположением проводов. Прибор может использоваться автономно, в составе автоматизированных систем контроля и учета электроэнергии (АСКУЭ), в составе автоматизированных систем диспетчерского управления (АСДУ) или присоединяться к интеллектуальной системе учета электрической энергии (мощности) (ИСУЭ). Для дистанционного считывания и отображения информации из ВИПУЭ используется выносной цифровой дисплей НАРТИС-Д101-2.
Характеристики:
| Наименование характеристики | Значение |
| Номинальное напряжение, кВ | 6/10 |
| Номинальный ток, А | 10 |
| Максимальный ток, А | 100-200 |
| Активная потребляемая мощность в цепи напряжения, Вт, не более | 3 |
| Потребляемая мощность по цепям тока, В·А, не более | 0,9 |
| Номинальная частота сети переменного тока, Гц | 50 |
| Класс точности при измерении активной электрической энергии по ГОСТ 31819.22-2012 | 0,5S |
| Класс точности при измерении реактивной электрической энергии по ГОСТ 31819.23-2012 | 1 |
| Стартовый ток при измерении активной энергии, мА | 10 |
| Стартовый ток при измерении реактивной энергии, мА | 20 |
| Количество тарифов | 8 |
| Габаритные размеры ВИПУЭ (Д×Ш×В), мм, не более | 171×124,5×460 |
| Масса ВИПУЭ, кг, не более | 10 |
| Средняя наработка на отказ, ч | 220000 |
| Средний срок службы, лет | 30 |
| Степень защиты оболочек от проникновения пыли и воды | IP65 |
Особенности:
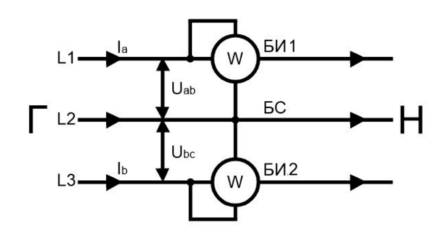
Схемы подключения
Схема подсоединения ВИПУЭ к ЛЭП:

Схема подсоединения ВИПУЭ на РУ ТП:

БИ 1 – блок измерительный 1 (ведущий); БИ 2 – блок измерительный 2 (ведомый);
БС – блок соединительный; ОЗ – зажим ответвительный; ШК – шина медная круглая,
ШМТ – шина медная прямоугольная
Схема подключения ВИПУ:


Программа для учета электрической энергии в сетевых компаниях
Телефонный робот для сбора показанийАвтоматизированный сбор показаний от потребителей при помощи телефонной связи
Планшет для контролераСовременный помощник контролера для обхода приборов учета
Кабинет техприсоединенияГотовое онлайн решение реализации личного кабинета для технологического присоединения
© OOO «Технологии энергоучета», 2015-2025