Прибор учёта трансформаторного или непосредственного включения на отечественной ЭКБ предназначен для измерений и учёта активной и реактивной (или только активной) энергии в трёхфазных трёх- и четырёхпроводных сетях переменного тока энергии прямого и обратного (или только прямого) направлений, измерений активной и реактивной электрической мощности, измерений параметров сети.
Используется для эксплуатации в закрытом помещении, имеет шкафное исполнение. Визуализация индикации функционирования работоспособного состояния отображается на встроенном жидкокристаллическом индикаторе. В счётчиках функционирует импульсный (дискретный) выход, который может конфигурироваться для формирования импульсов телеметрии или поверки. Может работать автономно, в составе АСКУЭ, АСДУ или подключаться к интеллектуальной системе учета электроэнергии.
Характеристики:
| Наименование характеристики | Значение |
| Класс точности при измерении активной энергии прямого и обратного направления по ГОСТ 31819.21-2012 | 1 |
| Класс точности при измерении реактивной энергии прямого и обратного направления по ГОСТ 31819.23-2012 | 1 |
| Номинальное напряжение Uф.ном/Uл.ном, В | 3×230/400 |
| Установленный рабочий диапазон напряжения | от 0,75·Uф.ном/Uл.ном до 1,2·Uф.ном/Uл.ном |
| Расширенный рабочий диапазон | от 0,8·Uф.ном/Uл.ном до 1,2·Uф.ном/Uл.ном |
| Предельный рабочий диапазон напряжения | от 0 до 1,2·Uф.ном/Uл.ном |
| Базовый/максимальный ток (Iб/Iмакс), А | 5/100 |
| Номинальное значение частоты, Гц | 50 |
| Потребляемая мощность по цепи напряжения, В·А (Вт), не более | 10 (2) |
| Потребляемая мощность по цепи тока, В·А (Вт), не более | 0,3 |
| Габаритные размеры и масса счетчика в корпусе типа W131 (ВхДхШ), мм (кг), не более: | 266х170х89 (1,7) |
| Габаритные размеры и масса блока измерительного счетчика в корпусе типа SP31 (ВхДхШ), мм (кг), не более | 215х203х100 (1,0) |
| Габаритные размеры и масса выносного цифрового дисплея НАРТИС-Д101(ВхДхШ), мм (кг), не более | 125х84х40 (0,15) |
| Установленный диапазон рабочих температур, ˚С | от -40 до +70 |
| Срок сохранения информации при отключении питания, лет | 20 |
| Средняя наработка счетчика на отказ, ч | 320000 |
| Средний срок службы счетчика, лет | 30 |
Особенности:
- Импульсный выход, который может конфигурироваться для формирования импульсов телеметрии или поверки
- Датчик воздействие постоянных и переменных магнитных полей
- Возможность отправлять инициативные сообщения
- Наличие журналов согласно ГОСТ Р 58940–2020
- Счетчик может использоваться как измеритель показателей качества электрической энергии согласно ГОСТ 32144-2013
- Беспроводной дисплей в качестве индикатора для счетчика в исполнении «сплит» с батарейным питанием и разъемом micro-USB для зарядки от внешнего источника
- Отсек для съемного модуля связи в счетчике исполнения «сплит»
- Дополнительные заводские электронные пломбы клеммной крышки и крышки корпуса счетчика
- Соответствует требованиям Постановления Правительства РФ от 19.06.2020 №890 «О порядке предоставления доступа к минимальному набору функций интеллектуальных систем учета электрической энергии (мощности)».
- До 12 дневных шаблонов, каждый из которых может включать до 24 точек переключения тарифа внутри суток. Широкие возможности для установки тарифных расписаний (включая рабочие, выходные, праздничные дни). Программируемое начало расчетных периодов.
- Возможность перехода на летнее/ зимнее время
- Хранение показаний на начало суток (за 180 суток), на начало месяца (за 36 месяцев), на начало года (за 3 года)
- Четырехканальный профиль мощности с программируемым интервалом от 1 до 60 минут
Схемы подключения:
Схемы подключения счетчиков Е.1 Схемы подключения счетчиков разных модификаций показаны на рисунках Е.1 – Е.4

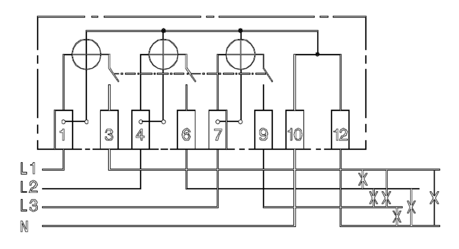
Рисунок Е.1 – Схема непосредственного подключения счетчика НАРТИС-И300 в корпусе типа W131

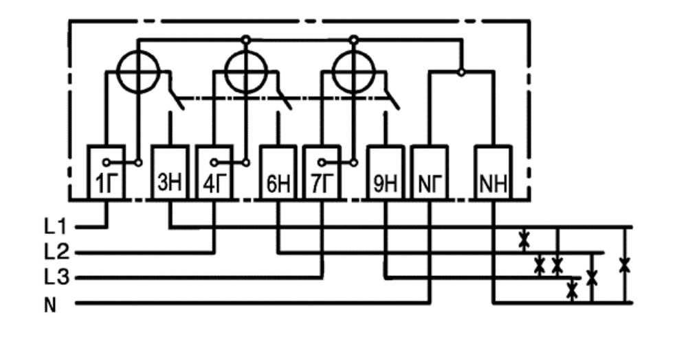
Рисунок Е.2 – Схема непосредственного подключения счетчика НАРТИС-И300 в корпусе типа W133

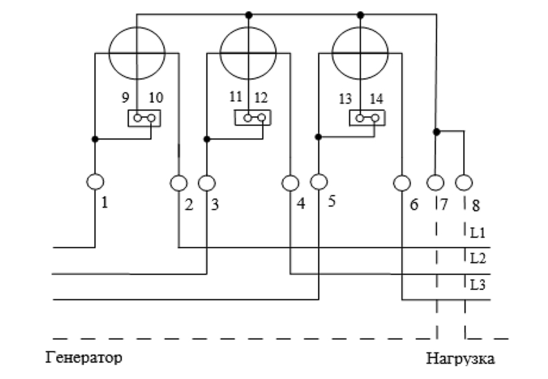
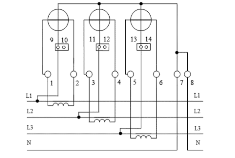
Рисунок Е.3 – Схема подключения счетчика НАРТИС-И300 в корпусе типа SP31

а) схема непосредственного подключения

б) схема подключения через трансформатор тока
Программа для учета электрической энергии в сетевых компаниях
Телефонный робот для сбора показанийАвтоматизированный сбор показаний от потребителей при помощи телефонной связи
Планшет для контролераСовременный помощник контролера для обхода приборов учета
Кабинет техприсоединенияГотовое онлайн решение реализации личного кабинета для технологического присоединения
© OOO «Технологии энергоучета», 2015-2025